Приобрету самодельный CW ключ с памятью

Купля продажа радиолюбительской аппаратуры. Стационарные трансиверы, портативные радиостанции, антенны, аппаратура СиБи связи, приёмники и т.д.
Правила форума
Правила форума

- Указание цены обязательно!
- Контактные данные обязательны!

Приобрету самодельный CW ключ с памятью

Сообщение UA4NDX » 24 янв 2016, 10:13

Приобрету самодельный CW ключ с памятью , может кто не пользуется, может и "на заказ" . Памяти достаточно одна ячейка, но желательно фразы 4 чтоб помнил короткие. (компьтеры-макросы не подходят, именно автономное устройство,12 в питание) Стартовая цена тыщща руб. Можно без коробки и манипулятора,просто плата макетная..
73!
Аватара пользователя
UA4NDX
 
Сообщения: 1831
Зарегистрирован: 16 дек 2012, 10:43
Благодарил (а): 2954 раз.
Поблагодарили: 908 раз.
Позывной: UA4NDX- Владимир
Оборудование: IC-7000, GP DL2KQ, LW 41m ,Yagi 11 el
Баллы репутации: 67

Re: Приобрету самодельный CW ключ с памятью

Сообщение R4NX » 24 янв 2016, 12:46

Володя,неплохой ключ от RU3GA...Который без клавиатуры...
Делал такой...Работал прекрасно... Сам и прошивал PIC...
Сейчас же... толи прошивка битая на сайте... неполучается прошить PIC...
нехотит работать...
Найти бы прошику... или кто б прошил PIC... сделал бы и тебе и себе...
Oleg R4NX
RCWC # 13
Аватара пользователя
R4NX
 
Сообщения: 771
Зарегистрирован: 15 дек 2012, 20:51
Откуда: Вятка
Благодарил (а): 89 раз.
Поблагодарили: 191 раз.
Позывной: R4NX
Оборудование: IC-706,IC-736
Баллы репутации: 18

Re: Приобрету самодельный CW ключ с памятью

Сообщение UA4NDX » 24 янв 2016, 13:56

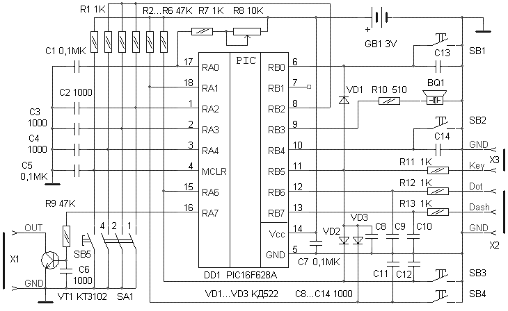
Олег,спасибо за предложение. Вот поиском нашёл : http://rcwc.ru/obor/1604-elektronnyy-te ... a4nal.html или уж к автору коррекции : http://ra4nal.qrz.ru/cwkey.shtml Николай- наш ,Кировский , уж он то лажу не подсунет... По магазинам не звонил, но поиском есть процы везде : http://www.efind.ru/icsearch/?search=PIC16F628A Травить -рисовать-сверлить плату негде , вот почему и захотел "готовенькое" (хотя и на макетке одноразовые устройства нормально работают) А так можно скооперироваться !
73!
Аватара пользователя
UA4NDX
 
Сообщения: 1831
Зарегистрирован: 16 дек 2012, 10:43
Благодарил (а): 2954 раз.
Поблагодарили: 908 раз.
Позывной: UA4NDX- Владимир
Оборудование: IC-7000, GP DL2KQ, LW 41m ,Yagi 11 el
Баллы репутации: 67

Re: Приобрету самодельный CW ключ с памятью

Сообщение titanik71 » 24 янв 2016, 18:42

Ключ с памятью+PC Keyboard от RU3GA : http://ra3ggi.qrz.ru/UZLY/key_PCkey.shtml. Печатную одностороннею плату могу изготовить (желательно в формате DipTrace).
Аватара пользователя
titanik71
 
Сообщения: 176
Зарегистрирован: 11 авг 2014, 19:09
Благодарил (а): 0 раз.
Поблагодарили: 59 раз.
Баллы репутации: 2

Re: Приобрету самодельный CW ключ с памятью

Сообщение UA4NDX » 24 янв 2016, 19:25

titanik71 ,спасибо за новую ссылочку,автор RU3GA -идёт вперёд ! Надеюсь, без клавы эта версия будет работать? (мне это как бы не нужно,от клавы работают многие аппаратные журналы ) Я подумаю, только в форматах (DipTrace) -ничо не понимаю ...
73!
Аватара пользователя
UA4NDX
 
Сообщения: 1831
Зарегистрирован: 16 дек 2012, 10:43
Благодарил (а): 2954 раз.
Поблагодарили: 908 раз.
Позывной: UA4NDX- Владимир
Оборудование: IC-7000, GP DL2KQ, LW 41m ,Yagi 11 el
Баллы репутации: 67

Re: Приобрету самодельный CW ключ с памятью

Сообщение titanik71 » 24 янв 2016, 19:47

DipTrace это программа для схем и печатных плат, Sprint-Layout более распространен но только печатные платы. Для изготовления все ровно какой формат, но для последующей модернизации мне интересней формат DipTrace.
Аватара пользователя
titanik71
 
Сообщения: 176
Зарегистрирован: 11 авг 2014, 19:09
Благодарил (а): 0 раз.
Поблагодарили: 59 раз.
Баллы репутации: 2

Re: Приобрету самодельный CW ключ с памятью

Сообщение R4NX » 24 янв 2016, 19:58

titanik71 писал(а):Ключ с памятью+PC Keyboard от RU3GA ... Печатную одностороннею плату могу изготовить (желательно в формате DipTrace).

Уважаемый вот эту ненадо бы... незнаю почему,но не каждая клавиатура работает...
лучше по этой схеме - http://ra3ggi.qrz.ru/UZLY/key.shtml
Прошивки вот похоже битые... несколько раз пытался ... неработает ключ...PIC-и менял... одна и таже беда...
Oleg R4NX
RCWC # 13
Аватара пользователя
R4NX
 
Сообщения: 771
Зарегистрирован: 15 дек 2012, 20:51
Откуда: Вятка
Благодарил (а): 89 раз.
Поблагодарили: 191 раз.
Позывной: R4NX
Оборудование: IC-706,IC-736
Баллы репутации: 18

Re: Приобрету самодельный CW ключ с памятью

Сообщение UA4NDX » 24 янв 2016, 20:00

titanik71 Ну, а гдеж я возьму в нужном Вам формате ? Может какие конверторы существуют из одного в другой? В принципе, я согласен на Вашу помощь ,просто может кто ещё захочет из присутствующих? Если не трудно ,позвоните мне завтра примерно в 09-00 мск ,телефончик ниже.. Доброго вечера !
73!
Аватара пользователя
UA4NDX
 
Сообщения: 1831
Зарегистрирован: 16 дек 2012, 10:43
Благодарил (а): 2954 раз.
Поблагодарили: 908 раз.
Позывной: UA4NDX- Владимир
Оборудование: IC-7000, GP DL2KQ, LW 41m ,Yagi 11 el
Баллы репутации: 67

Re: Приобрету самодельный CW ключ с памятью

Сообщение R4NX » 24 янв 2016, 20:04

UA4NDX писал(а):Олег,спасибо за предложение. Вот поиском нашёл : http://rcwc.ru/obor/1604-elektronnyy-te ... a4nal.html или уж к автору коррекции : http://ra4nal.qrz.ru/cwkey.shtml Николай- наш ,Кировский , уж он то лажу не подсунет... (хотя и на макетке одноразовые устройства нормально работают) А так можно скооперироваться !

Володя,у меня есть пара PIC-ов... если николай прошьет... невопрос...
делал на макетных платках... одна спаяна... беда в прошивке...
как бы с ним связаться...
Oleg R4NX
RCWC # 13
Аватара пользователя
R4NX
 
Сообщения: 771
Зарегистрирован: 15 дек 2012, 20:51
Откуда: Вятка
Благодарил (а): 89 раз.
Поблагодарили: 191 раз.
Позывной: R4NX
Оборудование: IC-706,IC-736
Баллы репутации: 18

Re: Приобрету самодельный CW ключ с памятью

Сообщение titanik71 » 24 янв 2016, 20:12

Плата от RA4NAL в формате Sprint Layout 4.0
Вложения
cwkey_sh.gif
СХЕМА
cwkey_plsm.gif
ПЛАТА
cwkey_plsm.gif (12.75 КБ) Просмотров: 53408
cw_key.rar
плата от RA4NAL в Sprint Layout 4.0
(27.5 КБ) Скачиваний: 650
Аватара пользователя
titanik71
 
Сообщения: 176
Зарегистрирован: 11 авг 2014, 19:09
Благодарил (а): 0 раз.
Поблагодарили: 59 раз.
Баллы репутации: 2

Re: Приобрету самодельный CW ключ с памятью

Сообщение UA4NDX » 24 янв 2016, 20:34

R4NX Олег,я тоже надеюсь на норм. прошивку от Николая RA4NAL . Телефона нет ,есть почта - <ra4nal@yandex.ru> Попробуй договорись,а то у меня неделька предстоящая занята очень....А я пока процессоры в Кирове поищу...Всем спасибо ! 73!
73!
Аватара пользователя
UA4NDX
 
Сообщения: 1831
Зарегистрирован: 16 дек 2012, 10:43
Благодарил (а): 2954 раз.
Поблагодарили: 908 раз.
Позывной: UA4NDX- Владимир
Оборудование: IC-7000, GP DL2KQ, LW 41m ,Yagi 11 el
Баллы репутации: 67

Re: Приобрету самодельный CW ключ с памятью

Сообщение R4NX » 24 янв 2016, 20:44

titanik71 писал(а):Плата от RA4NAL в формате Sprint Layout 4.0

да,можно эту
Oleg R4NX
RCWC # 13
Аватара пользователя
R4NX
 
Сообщения: 771
Зарегистрирован: 15 дек 2012, 20:51
Откуда: Вятка
Благодарил (а): 89 раз.
Поблагодарили: 191 раз.
Позывной: R4NX
Оборудование: IC-706,IC-736
Баллы репутации: 18

Re: Приобрету самодельный CW ключ с памятью

Сообщение RM4N » 24 янв 2016, 21:11

Тел Николая 23-3 два- 59
RM4N
 
Сообщения: 1234
Зарегистрирован: 20 дек 2012, 15:00
Благодарил (а): 316 раз.
Поблагодарили: 482 раз.
Позывной: RM4N
Баллы репутации: 22

Re: Приобрету самодельный CW ключ с памятью

Сообщение UA4NDX » 25 янв 2016, 11:14

PIC16F628A (Dip) есть : Алми-229 руб , Орион - 194 руб

Параметры процессора : http://catalog.gaw.ru/index.php?id=1548 ... ent_detail
73!
Аватара пользователя
UA4NDX
 
Сообщения: 1831
Зарегистрирован: 16 дек 2012, 10:43
Благодарил (а): 2954 раз.
Поблагодарили: 908 раз.
Позывной: UA4NDX- Владимир
Оборудование: IC-7000, GP DL2KQ, LW 41m ,Yagi 11 el
Баллы репутации: 67

Re: Приобрету самодельный CW ключ с памятью

Сообщение Yura » 25 янв 2016, 12:00

UA4NDX писал(а):Алми-229 руб , Орион - 194 руб

Если одну две брать, нормально, а если надо 10, лучше тут, цена с доставкой сюда.
pic0000.png

Кстати, есть вариант ключа на Arduino - все уже изначально спаяно, цена 213р... Программируется шнурком USB с любого ПК. Можно сюда экран добавить от нокии 5110/1100 (LCD выдирается из старого телефона, и цепляется к Arduino) и т.п. будет казать какую нибудь инфу, скорость эту же, время.. Надоел ключ - перешил на любое другое устройство...
pic0001.png
Последний раз редактировалось Yura 25 янв 2016, 17:06, всего редактировалось 1 раз.
Аватара пользователя
Yura
 
Сообщения: 503
Зарегистрирован: 21 мар 2013, 13:41
Откуда: Вятка
Благодарил (а): 319 раз.
Поблагодарили: 263 раз.
Позывной: R4NAF
Баллы репутации: 28

Re: Приобрету самодельный CW ключ с памятью

Сообщение RM4N » 25 янв 2016, 14:10

А как хорошо все начиналось - нужен ключ с памятью на 4 фразы... самодельный.
И тут понеслось :)
RM4N
 
Сообщения: 1234
Зарегистрирован: 20 дек 2012, 15:00
Благодарил (а): 316 раз.
Поблагодарили: 482 раз.
Позывной: RM4N
Баллы репутации: 22

Re: Приобрету самодельный CW ключ с памятью

Сообщение Yura » 25 янв 2016, 16:34

А где не туда тема пошла, что хорошо начиналось? В каком месте по твоему перекос пошёл?
Пока UA4NDX не успел потратить сумму и уйму времени, предлагаю рассмотреть ещё вариант.
Выбор за Владимиром, программировать микросхемы или готовую коробку. Даже за 100р. можно взять, Arduono pro mini, все то же самое, только размер микро. У американца на странице всё по полочкам, ТТХ приводятся, исходники все есть, как раз теме соответствует, готовое решение, бери даром так сказать, юзай, не понимаю что у тебя понеслось RM4N, очень жаль...
Вложения
DSCN2547.JPG
Аватара пользователя
Yura
 
Сообщения: 503
Зарегистрирован: 21 мар 2013, 13:41
Откуда: Вятка
Благодарил (а): 319 раз.
Поблагодарили: 263 раз.
Позывной: R4NAF
Баллы репутации: 28

Re: Приобрету самодельный CW ключ с памятью

Сообщение UA4NDX » 25 янв 2016, 18:07

Yura добрый вечер. Полностью согласен на твой вариант. Правда нет интернет -денег, только та самая тыщща рублёв, так что прошу ,если время есть ,довести до рабочего макета. (без манипулятора ) Как быстро устаревает многое, что казалось почти совершенством ещё 5 лет назад...
73!
Аватара пользователя
UA4NDX
 
Сообщения: 1831
Зарегистрирован: 16 дек 2012, 10:43
Благодарил (а): 2954 раз.
Поблагодарили: 908 раз.
Позывной: UA4NDX- Владимир
Оборудование: IC-7000, GP DL2KQ, LW 41m ,Yagi 11 el
Баллы репутации: 67

Re: Приобрету самодельный CW ключ с памятью

Сообщение R4NX » 25 янв 2016, 19:12

Юра,Аурдино конечно хорошо....НО вопрос-то был - электронный ключ с памятью...
Ну и на кой мне ентот аурдино... програмировать со шнурка надо...как он будет при -10 работать я незнаю....
Возьми этого аурдино... сваяй и покажи нам...
А в ключике от RU3GA 4 ячейки памяти.... в память записывается на раз-два... оперативно,быстро...
3-х вольтовой батарейки... я за год невысадил... работает при -15*проверено!
Oleg R4NX
RCWC # 13
Аватара пользователя
R4NX
 
Сообщения: 771
Зарегистрирован: 15 дек 2012, 20:51
Откуда: Вятка
Благодарил (а): 89 раз.
Поблагодарили: 191 раз.
Позывной: R4NX
Оборудование: IC-706,IC-736
Баллы репутации: 18

Re: Приобрету самодельный CW ключ с памятью

Сообщение RM4N » 25 янв 2016, 19:22

R4NX писал(а):Юра,Аурдино конечно хорошо....НО вопрос-то был - электронный ключ с памятью...
Ну и на кой мне ентот аурдино...

Вот я про то и сказал, Юра! :)
Не надо все усложнять, это у кого яй... тьфу, руки чешутся, покопаться, щас возможностей как грязи в болоте. :D
Я в середине 80-х делал ключ с памятью на РУ-5 или 6 кажется, не понимаю, куда он пропал, был в клубе, как ноги приделали.
RM4N
 
Сообщения: 1234
Зарегистрирован: 20 дек 2012, 15:00
Благодарил (а): 316 раз.
Поблагодарили: 482 раз.
Позывной: RM4N
Баллы репутации: 22

След.

Вернуться в КВ/УКВ аппаратура

Сейчас на конференции

Сейчас этот форум просматривают: нет зарегистрированных пользователей и гости: 8

Яндекс.Метрика