


R4NAA писал(а):Наконец то установил поворотку на крышу. Сейчас начну тестировать. Не стал мудрить, в качестве указателя угла поворота воткнул обычный переменный резистор (номинал не помню) и все, правда есть приличная погрешность в показаниях (буду привыкать).

RM4N писал(а):R4NAA писал(а):Наконец то установил поворотку на крышу. Сейчас начну тестировать. Не стал мудрить, в качестве указателя угла поворота воткнул обычный переменный резистор (номинал не помню) и все, правда есть приличная погрешность в показаниях (буду привыкать).
Насколько приличная? На NWA собрано подобное, там проще, это КВ, но уж в 10 градусов легко укладывается
Вот подобная схема.








Yura писал(а): я бы тебе отдал от Сименса старый шнур USB.

UA4NDX писал(а):Какой Вы девайс используете для связи компа с трансивером? Самодельный или купленный?


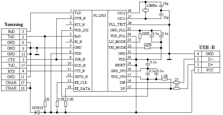
Олег, купил сегодня кабель, именно с этой микросхемкой... Да вот только мой OMNI-V в инструкции вот такую картинку даёт по связи с IBM : Мрак, старьё, но работает как RA3AO !! Чё делать то ,куды проводки разводить?R4NX писал(а):У меня САТ сделан из USB-DATA кабеля от какого то сотика.Стоит отдельная коробочка с микросхемой PL2303.


я прозванивал ТЛ4...
работает все!
rw4nw писал(а):Все опробовано, вышеназванных проблем при тестировании не выявлено

Сейчас этот форум просматривают: нет зарегистрированных пользователей и гости: 3
|
|